Hỗ trợ tư vấn
Tư vấn - Giải đáp - Hỗ trợ đặt tài liệu
Tài liệu cao cấp không áp dụng tải nhanh miễn phí cho thành viên gói Pro.
Tìm hiểu thêm »Bộ đề thi học kì 1 môn Công nghệ lớp 9 năm 2025 - 2026 mang đến 9 đề có đáp án giải chi tiết kèm theo bảng ma trận, giúp các bạn học sinh ôn luyện củng cố kiến thức để biết cách ôn tập đạt kết quả cao.
TOP 9 Đề kiểm tra cuối học kì 1 Công nghệ 9 năm 2025 gồm 3 sách Cánh diều, Chân trời sáng tạo, Kết nối tri thức được biên soạn với cấu trúc mới theo Công văn 7991 gồm trắc nghiệm lựa chọn đáp án đúng, trắc nghiệm đúng sai và tự luận. Hi vọng qua đề kiểm tra học kì 1 Công nghệ 9 sẽ giúp các em học sinh lớp 9 dễ dàng ôn tập, hệ thống kiến thức, luyện giải đề thuận tiện hơn. Ngoài ra các bạn xem thêm: bộ đề thi học kì 1 Ngữ văn 9 Kết nối tri thức, bộ đề thi học kì 1 môn Toán 9 Kết nối tri thức.
TOP 9 Đề kiểm tra cuối học kì 1 Công nghệ 9 năm 2025 gồm:
1. Bộ đề thi cuối kì 1 Công nghệ 9 Kết nối tri thức
- Module Lắp đặt mạng điện trong nhà
- Module Định hướng nghề nghiệp
- Module Trồng cây ăn quả
2. Bộ đề thi cuối kì 1 Công nghệ 9 Cánh diều năm 2025
- Mô đun Lắp đặt mạng điện trong nhà
- Mô đun Định hướng nghề nghiệp
- Đề 1 có đầy đủ đáp án, ma trận biên soạn cấu trúc trắc nghiệm lựa chọn đáp án đúng, trắc nghiệm đúng sai và tự luận (5-2-3).
3. Bộ đề thi cuối kì 1 Công nghệ 9 Chân trời sáng tạo
- Modul Lắp đặt mạng điện trong nhà

............
Bản đặc tả có đầy đủ trong file tải về
|
UBND XÃ …………. TRƯỜNG THCS………….. |
ĐỀ KIỂM TRA HỌC KÌ 1 NĂM 2025 - 2026 MÔN CÔNG NGHỆ 9 Thời gian làm bài: 45 phút |
I. TRẮC NGHIỆM (7điểm)
A. Câu hỏi nhiều lựa chọn (5 điểm)
Câu 1: Bước đầu tiên trong tính toán chi phí cho mạng điện trong nhà là:
A. Nghiên cứu hồ sơ lắp đặt mạng điện
B. Lập bảng tính toán chi phí
C. Vẽ sơ đồ lắp đặt mạng điện
D. Lập bảng thống kê số lượng thiết bị, vật liệu
Câu 2: Lập bảng chi phí cho mạng điện trong nhà cần quan tâm đến yếu tố nào?
A. Chủng loại thiết bị, vật liệu; đơn vị; màu sắc; kiểu dáng; thành tiền
B. Chủng loại thiết bị, vật liệu; số lượng; màu sắc; thành tiền
C. Chủng loại thiết bị, vật liệu; đơn vị; số lượng; đơn giá; thành tiền
D. Chủng loại thiết bị, vật liệu; số lượng; màu sắc; kiểu dáng; giá thành
Câu 3: Chủng loại và thông số kĩ thuật thiết bị, vật liệu sẽ sử dụng cho việc lắp đặt mạng điện trong nhà được xác định ở bước nào khi tính toán chi phí cho mạng điện trong nhà?
A. Bước lập bảng thống kê số lượng thiết bị, vật liệu
B. Bước nghiên cứu sơ đồ lắp đặt mạng điện
C. Bước vẽ sơ đồ lắp đặt mạng điện
D. Bước lập bảng tính toán chi phí
Câu 4: Trong bước lập bảng tính toán chi phí không có công việc nào sau đây?
A. Lựa chọn giá phù hợp cho từng chủng loại thiết bị, vật liệu theo bảng dự trù
B. Tính chi phí cho từng chủng loại thiết bị, vật liệu theo đơn giá
C. Mua đầy đủ các thiết bị, vật liệu đã dự trù
D. Tính tổng chi phí cho mạng điện trong nhà
Câu 5: Quy trình lắp đặt mạng điện trong nhà gồm mấy bước?
A. 2 bước
B. 3 bước
C. 4 bước
D. 5 bước
Câu 6: Trình tự kiểm tra, thử nghiệm mạch bảng điện gồm mấy bước?
A. 2 bước
B. 3 bước
C. 4 bước
D. 5 bước
Câu 7: Nội dung nào sau đây thuộc bước kiểm tra mạch điện khi chưa cấp điện?
A. Kiểm tra các mối nối dây
B. Kiểm tra điện áp nguồn trước vào sau CB bằng VOM hoặc bút thử điện
C. Kiểm tra điện áp sau CB hoặc tại OC bằng VOM hoặc bút thử điện
D. Kiểm tra hoạt động của mạch điện theo nguyên lí
Câu 8: Nội dung nào sau đây thuộc bước kiểm tra mạch điện khi đã cấp điện?
A. Kiểm tra các mối nối dây
B. Kiểm tra vị trí lắp đặt thiết bị trên bảng điện, vị trí nẹp nhựa và bóng đèn
C. Kiểm tra điện áp sau CB hoặc tại OC bằng VOM hoặc bút thử điện
D. Kiểm tra được trở của mạch điện sau CB hoặc tại OC khi hở mạch và thông mạch điện bằng VOM
Câu 9: Lắp đặt mạng điện trong nhà theo thiết kế không bao gồm loại mạch nào sau đây?
A. Mạch bảng điện
B. Mạch đèn cầu thang
C. Mạch điện điều khiển hai bóng đèn sáng luân phiên
D. Mạch điện điều khiển đóng/mở rèm cửa tự động
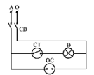
Câu 10: Quan sát hình sau và cho biết đây là loại sơ đồ nào?

A. Sơ đồ nguyên lí
B. Sơ đồ lắp đặt
B. Sơ đồ minh họa
D. Sơ đồ cấu tạo
Câu 11: Quan sát hình sau và cho biết đây là loại sơ đồ nào?

............
Nội dung đề thi vẫn còn trong file tải về
Đáp án đề thi có đầy đủ trong file tải về
...................
Xem đầy đủ đáp án đề thi trong file tải về

...............
Bản đặc tả đề thi có đầy đủ trong file tải về
|
UBND … TRƯỜNG THCS ………..
|
ĐỀ KIỂM TRA CUỐI HỌC KỲ I MÔN CÔNG NGHỆ LỚP 9 Năm học 2025 – 2026 Thời gian làm bài: 45 phút (không kể thời gian giao đề) ( Đề thi có 05 trang, học sinh làm bài vào giấy thi) |
I. TRẮC NGHIỆM (7 điểm)
A. Câu hỏi nhiều lựa chọn (5điểm)
Câu 1: Trong bước lập bảng tính toán chi phí không có công việc nào sau đây?
A. Lựa chọn giá phù hợp cho từng chủng loại thiết bị, vật liệu theo bảng dự trù
B. Tính chi phí cho từng chủng loại thiết bị, vật liệu theo đơn giá
C. Mua đầy đủ các thiết bị, vật liệu đã dự trù
D. Tính tổng chi phí cho mạng điện trong nhà
Câu 2: Bước cuối cùng trong công việc tính toán chi phí cho mạng điện trong nhà là:
A. Nghiên cứu hồ sơ lắp đặt mạng điện
B. Lập bảng tính toán chi phí
C. Vẽ sơ đồ lắp đặt mạng điện
D. Lập bảng thống kê số lượng thiết bị, vật liệu
Câu 3 Chiều dài dây dẫn điện, nẹp hoặc ống nhựa được tính toán theo chiều dài tuyến dây trong sơ đồ lắp đặt và cộng thêm bao nhiêu phần trăm tổng chiều dài tính toán cho cho phí tiêu hao khi lắp đặt?
A. 20%
B. 30%
C. 40%
D. 50%
Câu 4: Số lượng thiết bị, vật liệu sẽ sử dụng cho việc lắp đặt mạng điện trong nhà được xác định ở bước nào khi tính toán chi phí cho mạng điện trong nhà?
A. Bước lập bảng thống kê số lượng thiết bị, vật liệu
B. Bước nghiên cứu sơ đồ lắp đặt mạng điện
C. Bước vẽ sơ đồ lắp đặt mạng điện
D. Bước lập bảng tính toán chi phí
Câu 5: Lắp đặt mạng điện trong nhà theo thiết kế không bao gồm loại mạch nào sau đây?
A. Mạch bảng điện
B. Mạch đèn cầu thang
C. Mạch điện điều khiển hai bóng đèn sáng luân phiên
D. Mạch điện điều khiển đóng/mở rèm cửa tự động
Câu 6: Nội dung nào sau đây không phải yêu cầu khi thực hành lắp mạng điện trong nhà?
A. Chuẩn bị vật liệu, dụng cụ, thiết bị cần thiết, phù hợp với nội dung thực hành
B. Dây dẫn được sắp xếp đẹp mắt, sáng tạo
C. Các thiết bị được bố trí đúng sơ đồ lắp đặt
D. Thực hiện đúng các bước thực hành
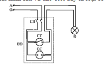
Câu 7 Mạch điện đèn cầu thang như hình dưới đây có thể điều khiển một bóng đèn ở mấy vị trí?

A. 1 vị trí
B. 2 vị trí
C. 3 vị trí
D. 4 vị trí
Câu 8: Sơ đồ nào sau đây là sơ đồ nguyên lí mạch đèn sáng tỏ, sáng mờ?
............
B. Trắc nghiệm đúng, sai (2điểm)
Câu 21. Tính toán chi phí mạng điện trong nhà là một quy trình quan trọng giúp gia đình lựa chọn các thiết bị điện phù hợp với nhu cầu sử dụng và điều kiện kinh tế. Quy trình này bao gồm 3 bước chính: nghiên cứu sơ đồ lắp đặt, lập bảng kê số lượng thiết bị vật liệu, và tính toán chi phí cụ thể. Khi thực hiện, cần xác định chính xác các thông số như loại dây dẫn, tiết diện lõi, các thiết bị điện như aptomat, công tắc, ổ cắm, và công suất của các đồ dùng điện. Việc tham khảo bảng giá và lập bảng tính toán chi tiết sẽ giúp người dùng có cái nhìn tổng quan về kinh phí lắp đặt mạng điện.
a) Chi phí mạng điện luôn như nhau cho mọi gia đình, không phụ thuộc vào nhu cầu sử dụng.
b) Việc tính toán chi phí không cần quan tâm đến các thông số kỹ thuật như loại dây dẫn và công suất thiết bị.
c) Việc tính toán chi phí mạng điện đóng vai trò quan trọng trong việc lựa chọn thiết bị điện phù hợp với nhu cầu sử dụng cũng như điều kiện tài chính.
d) Để tính toán chi phí mạng điện, cần thực hiện ba bước: nghiên cứu sơ đồ, lập bảng kê vật liệu, và tính toán chi phí.
Câu 22. Trong một buổi thuyết trình về một số ngành nghề liên quan đến lắp đặt mạng điện trong nhà, một số học sinh đưa ra các ý kiến như sau:
a) Đối tượng lao động của ngành nghề lắp đặt mạng điện trong nhà chỉ bao gồm thiết bị đóng cắt mà không bao gồm dụng cụ đo điện cơ bản.
b) Một số sản phẩm lao động của ngành nghề lắp đặt mạng điện trong nhà bao gồm bản thiết kế sơ đồ nguyên lý và sơ đồ lắp đặt mạng điện.
c) Người làm nghề điện dân dụng thường xuyên phải làm việc trong nhà, ngoài trời và có nguy cơ mất an toàn về diện.
d) Người làm nghề lắp đặt mạng điện trong nhà chỉ làm việc trong các công trình ngoài trời và không gặp phải rủi ro về an toàn điện trong khi làm việc.
II. TỰ LUẬN (3điểm)
Câu 1 (0,5đ): Khi sử dụng đồng hồ vạn năng, ta cần lưu ý điều gì?
.............
Nội dung đề thi vẫn còn trong file tải về
Đáp án đề thi có đầy đủ trong file tải về
..............
Xem đầy đủ đề thi học kì 1 Công nghệ 9 trong file tải về

Bản đặc tả có đầy đủ trong file tải về
|
UBND XÃ ……….. TRƯỜNG THCS............
|
ĐỀ KIỂM TRA CUỐI KÌ I MÔN: CÔNG NGHỆ, LỚP: 9 |
I. TRẮC NGHIỆM (7,0 điểm)
1. PHẦN TRẮC NGHIỆM KHÁCH QUAN NHIỀU LỰA CHỌN (5,0 điểm)
(Thí sinh trả lời từ câu 1 đến câu 20. Mỗi câu hỏi thí sinh chỉ chọn một phương án đúng.)
Câu 1. Theo em, nghề nghiệp là
A. tập hợp những việc làm, nhiệm vụ mà mình thực hiện.
B. tập hợp những việc làm theo sở thích cá nhân.
C. tập hợp các công việc được xã hội công nhận.
D. tập hợp những nhu cầu xã hội, mong cầu đáp ứng việc làm.
Câu 2: Nội dung nào không đúng khi nói về tầm quan trọng của nghề nghiệp đối với con người?
A. Mang lại cho con người nguồn thu nhập ổn định, bền vững để chăm lo cho bản thân và gia đình.
B. Góp phần làm giảm các tệ nạn xã hội, đảm bảo kỉ cương, ổn định xã hội.
C. Tạo ra môi trường để con người phát triển nhân cách, phát huy năng lực, sở trường.
D. Giúp con người thỏa mãn đam mê, tạo nên niềm vui, hạnh phúc trong cuộc sống.
Câu 3: Nội dung nào không đúng khi nói về tầm quan trọng của nghề nghiệp đối với xã hội?
A. Góp phần tạo ra sản phẩm vật chất, tinh thần, đáp ứng nhu cầu ngày càng cao của xã hội.
B. Thúc đẩy phát triển kinh tế, đem lại phồn vinh cho xã hội.
C. Làm giảm các tệ nạn xã hội, đảm bảo kỉ cương, ổn định xã hội.
D. Tạo ra môi trường để con người phát triển nhân cách, phát huy năng lực, sở trường.
Câu 4: Việc lựa chọn đúng nghề nghiệp có ý nghĩa gì đối với xã hội?
A. Xây dựng được kế hoạch tương lai một cách chắc chắn.
B. Giảm thiểu tình trạng thất nghiệp, làm trái ngành, trái nghề gây ra những lãng phí cho xã hội.
C. Tạo ra thu nhập đảm bảo cho cuộc sống của cá nhân và gia đình.
D. Giúp mỗi cá nhân tránh xa được tất cả các tệ nạn xã hội.
Câu 5: Nội dung nào dưới đây không đúng khi nói về ý nghĩa của việc chọn đúng nghề nghiệp đối với gia đình?
A. Tạo ra thu nhập đảm bảo cho cá nhân và gánh vác được một phần chi phí cho gia đình.
B. Là cơ hội để mỗi cá nhân xây dựng được kế hoạch gia đình tương lai một cách chắc chắn.
C. Góp phần đảm bảo công tác quy hoạch và phát triển thị trường lao động.
D. Tạo ra sự hài lòng, hạnh phúc cho bản thân và gia đình.
Câu 6: Khung cơ cấu hệ thống giáo dục quốc dân Việt nam bao gồm?
A. giáo dục chính quy và giáo dục thường xuyên.
B. giáo dục mầm non và giáo dục phổ thông.
C. giáo dục nghề nghiệp và giáo dục phổ thông.
D. giáo dục mầm non và giáo dục đại học.
Câu 7: Điền từ còn thiếu vào chỗ trống khi nói về khái niệm phân luồng trong giáo dục
Phân luồng trong giáo dục là biện pháp tổ chức hoạt động giáo dục trên cơ sở thực hiện (1) ... trong giáo dục, tạo (2) ... để học sinh tốt nghiệp (3) ..., (4) ... tiếp tục học ở cấp học.
A. (1) đào tạo; (2) điều kiện; (3) trung học phổ thông; (4) đại học.
B. (1) đào tạo; (2) điều kiện; (3) trung học cơ sở; (4) trung học phổ thông.
C. (1) hướng nghiệp; (2) tiền đề; (3) trung học cơ sở; (4) trung học phổ thông.
D. (1) hướng nghiệp; (2) điều kiện; (3) tiểu học; (4) trung học cơ sở.
...............
Câu 20: Ý nghĩa của lí thuyết mật mã Holland trong việc chọn nghề là
A. Là cơ sở để bản thân thích ứng với môi trường nghề nghiệp.
B. Là cơ sở để hướng nghiệp trong nhà trường.
C. Là cơ sở để khám phá tính cách bản thân.
D. Là cơ sở để định hướng chọn nghề nghiệp hay ngành học tương lai.
2. PHẦN TRẮC NGHIỆM KHÁCH QUAN ĐÚNG SAI (2,0 điểm)
Em hãy trả lời 2 câu hỏi. Trong mỗi ý a), b), c), d) ở mỗi câu, em chọn Đúng hoặc Sai.
Câu 1: Giáo dục mầm non tại Việt Nam đã và đang được coi là một phần không thể thiếu trong cơ cấu giáo dục quốc dân, với tầm quan trọng không thể phủ nhận đối với sự phát triển toàn diện của thế hệ trẻ, đồng thời là yếu tố nền tảng cho sự tiến bộ lâu dài của xã hội.
Phát biểu sau đây đúng hay sai?
a. Giáo dục mầm non không nằm trong cơ cấu giáo dục quốc dân.
b. Trong cơ cấu giáo dục quốc dân Việt Nam, giáo dục mầm non là bậc thứ hai.
c. Một trong những mục tiêu quan trọng của giáo dục mầm non là giúp phát triển toàn diện.
d. Trẻ em, đặc biệt là trẻ ở vùng sâu, vùng xa, có thể thiếu cơ hội tiếp cận với giáo dục mầm non
Câu 2: Trong các phát biểu sau, đâu là phát biểu đúng, đâu là phát biểu sai khi nói về việc tìm kiếm thông tin thị trường lao động trong lĩnh vực kỹ thuật và công nghệ?
a. Bước đầu tiên để tìm kiếm thông tin thị trường lao động là phải xác định được nguồn thông tin
b. Sau khi xác định được nguồn thông tin, người lao động phải xác định được công cụ tìm kiếm.
c. Cổng thông tin điện tử của Bộ lao động – Thương binh và Xã hội tại địa chỉ http://www.molisa.gov.vn/Pages/solieu/thitruonglaodong.aspx là nguồn thông tin đáng tin cậy và hữu ích cho việc tìm kiếm các thông tin thị trường lao động
d. Bước cuối cùng để tìm kiếm thông tin thị trường lao động trong lĩnh vực kỹ thuật và công nghệ là lựa chọn nhà tuyển dụng uy tin
II. PHẦN TỰ LUẬN (3,0 điểm)
Câu 1:
Em hãy quan sát hình bên và cho biết đặc điểm nghề nghiệp của người trong hình?
..........
Nội dung đề thi vẫn còn trong file tải về
Đáp án đề thi có đầy đủ trong file tải về
.................
Xem đầy đủ nội dung đề thi trong file tải về
Theo Nghị định 147/2024/ND-CP, bạn cần xác thực tài khoản trước khi sử dụng tính năng này. Chúng tôi sẽ gửi mã xác thực qua SMS hoặc Zalo tới số điện thoại mà bạn nhập dưới đây:
Bộ đề thi học kì 1 môn Công nghệ lớp 9 năm 2025 - 2026 (Sách mới)
Bộ đề thi học kì 1 môn Công nghệ lớp 9 năm 2025 - 2026 (Sách mới)
199.000đ