Hỗ trợ tư vấn
Tư vấn - Giải đáp - Hỗ trợ đặt tài liệu
Mua gói Pro để tải file trên Download.vn (không bao gồm tài liệu cao cấp) và trải nghiệm website không quảng cáo
Tìm hiểu thêm »Đề cương ôn tập học kì 2 Công nghệ 12 Điện - Điện tử Kết nối tri thức năm 2024 - 2025 là tài liệu rất hữu ích, gồm 13 trang tổng hợp các dạng bài tập trọng tâm có đáp án kèm theo.
Đề cương ôn tập cuối học kì 2 Công nghệ 12 Điện - Điện tử Kết nối tri thức được biên soạn với cấu trúc hoàn toàn mới gồm trắc nghiệm lựa chọn đáp án đúng, trắc nghiệm đúng sai và tự luận. Qua đó giúp các em học sinh lớp 12 nắm được kiến thức mình đã học trong chương trình học kì 2, rèn luyện và ôn tập một cách hiệu quả. Vậy sau đây là trọn bộ đề cương ôn tập học kì 2 Công nghệ 12 Điện - Điện tử Kết nối tri thức mời các bạn đón đọc. Bên cạnh đó các bạn xem thêm đề cương ôn tập học kì 2 Vật lí 12 Kết nối tri thức.
|
Trường THPT ………..
|
ĐỀ CƯƠNG ÔN TẬP HỌC KÌ 2 NĂM 2025 Môn: Công nghệ 12 (Điện - Điện tử) |
PHẦN I. Mỗi câu hỏi thí sinh chỉ chọn 1 phương án.
Câu 1: Kỹ thuật điện tử là ngành nghiên cứu và ứng dụng các linh kiện điện tử để:
A. Xử lý tín hiệu và truyền tải điện năng.
B. Sản xuất năng lượng tái tạo.
C. Sản xuất thiết bị điện gia dụng.
D. Thiết kế các hệ thống truyền thông.
Câu 2: Dịch vụ trong lĩnh vực kỹ thuật điện tử thường bao gồm:
A. Lắp đặt và bảo trì các thiết bị điện tử.
B. Sản xuất động cơ điện công nghiệp.
C. Lắp đặt các mạng lưới điện quốc gia.
D. Sản xuất thiết bị điện gia dụng.
Câu 3: Điện trở có tác dụng gì trong mạch điện?
A. Dẫn điện một chiều và xoay chiều.
B. Cản trở dòng điện và điều chỉnh dòng điện trong mạch.
C. Tạo ra năng lượng điện.
D. Khuếch đại tín hiệu điện.
Câu 4: Đâu là vai trò của kĩ thuật điện tử đối với đời sống?
A. Tạo ra các hệ thống giám sát, điều hàng sản xuất từ xa
B. Phát triển những mô hình chăm sóc, khám chữa bệnh từ xa
C. Tạo ra các máy công cụ tự động có khả năng gia công nhiều khiểu mẫu sản xuất với độ phức tạp và chính xác cao
D. Điều phối linh hoạt quá trình sản xuaats và kịp thời kiểm soát những sự cố xảy ra
Câu 5. Bước nào được thực hiện đầu tiên khi vẽ sơ đồ lắp đặt mạch điện trong gia đình?
A. Vẽ sơ đồ lắp đặt
B. Lựa chọn thiết bị
C. Nghiên cứu sơ đồ nguyên lí
D. Kiểm tra, thử nghiệm và đánh giá
Câu 6. Trên công tơ điện, thông số kĩ thuật 10A có ý nghĩa gì?
A. Dòng điện cực đại
B. Sai số công tơ
C. dòng điện định mức
D. Điện năng tiêu thụ
..........
PHẦN II. Câu trắc nghiệm đúng sai. Trong mỗi ý A,B,C,D ở mỗi câu chọn đúng hoặc sai
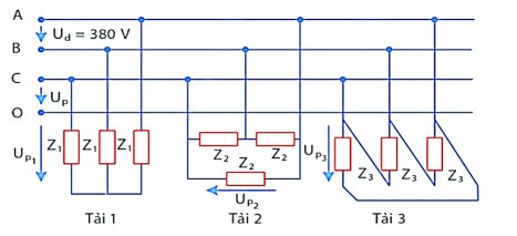
Câu 1. Cho mạch ba pha có nguồn và tải đối xứng biết điện áp dây 𝑈𝑑 = 380V. Điện trở Z1 = Z2 = Z3 = 10Ω.

A. Nguồn điện nối hình sao không có dây trung tính.
B. Tải 1 nối hình sao có dây trung tính, tải 3 nối hình tam giác
C. UP1 = 220V, UP3 = 380V
D. IP1 = 22 A, Id1 = 11A
Câu 2. Cho sơ đồ nguyên lí cung cấp điện cho một phòng gồm: nguồn điện xoay chiều 220 V, một aptomat đóng cắt và bảo vệ cho các thiết bị trong phòng, một ổ cắm cung cấp điện cho 1 Bếp điện. Bếp điện có công suất 0,88 kW, J = 5A/mm2 , cosφ = 0.8. Những nhận định đưới đây về mạch điện trong sơ đồ đúng hay sai?

A. Chọn loại dây dẫn có tiết diện 0,75 mm2
B. Chọn Aptomat 1 cực có dòng điện định mức Iđm = 6A
C. Dòng điện nguồn I = 5A
D. Chọn Aptomat 1 cực có điện áp định mức Uđm = 230V
Câu 3: Cho mạch tổ hợp như hình dưới đây. Các đèn LED để kiểm tra trạng thái tín hiệu đầu ra của mạch. Các đầu vào của mạch có giá trị A, B. Các đèn LED còn hoạt động tốt. Sau đây là một số nhận định về mạch liên quan đến nguyên lí hoạt động và lắp ráp, kiểm tra mạch.
..............
Tải file tài liệu để xem thêm Đề cương ôn tập học kì 2 môn Công nghệ 12
Theo Nghị định 147/2024/ND-CP, bạn cần xác thực tài khoản trước khi sử dụng tính năng này. Chúng tôi sẽ gửi mã xác thực qua SMS hoặc Zalo tới số điện thoại mà bạn nhập dưới đây: