Hỗ trợ tư vấn
Tư vấn - Giải đáp - Hỗ trợ đặt tài liệu
Mua gói Pro để tải file trên Download.vn (không bao gồm tài liệu cao cấp) và trải nghiệm website không quảng cáo
Tìm hiểu thêm »Giải Công nghệ 12 Bài 9: Sơ đồ hệ thống điện trong gia đình giúp các em học sinh lớp 12 tham khảo, biết cách trả lời toàn bộ câu hỏi trong sách giáo khoa Công nghệ 12 Cánh diều trang 43, 44, 45, 46, 47.
Với lời giải trình bày rõ ràng, cẩn thận, dễ hiểu nhằm giúp học sinh nhanh chóng biết cách làm bài. Đồng thời, cũng là tài liệu hữu ích giúp thầy cô thuận tiện trong việc hướng dẫn học sinh ôn tập Bài 9 Chủ đề 3: Hệ thống điện trong gia đình - Phần I: Công nghệ điện SGK Công nghệ Điện - Điện tử 12 Cánh diều. Vậy chi tiết mời thầy cô và các em cùng theo dõi bài viết dưới đây của Download.vn:
Sơ đồ nguyên lí của hệ thống điện dùng để làm gì? Trình bày các bước vẽ sơ đồ nguyên lí.
Lời giải:
Sơ đồ nguyên lí hệ thống điện biểu diễn mối liên hệ điện của các phần tử trong hệ thốgn điện mà không thể hiện vị trí và cách lắp đặt của chúng.
Các bước vex sơ đồ nguyên lí:
Bước 1: xác định các thiết bị điện có trong hệ thống điện.
Bước 2: phân tích mối liên hệ của các thiết bị điện có trong hệ thống điện.
Bước 3: Vẽ sơ đồ
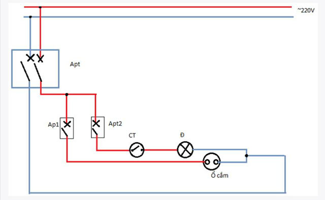
Mô tả sơ đồ nguyên lí của hệ thống điện ở Hình 9.1.
Lời giải:
Sơ đồ nguyên lí hệ thống điện đơn giản trong gia đình ở Hình 9.1 aptomat tổng hai cực (ApT) dùng để đóng cắt nguồn điện xoay chiều 220V cấp điện vào nhà. Mạch điện có hai nhánh sử dụng hai aptomat một cực để đóng cắt dây pha: Ap1 cung cấp cho một ổ cắm, Ap2 cung cấp cho hai đèn Đ1 và Đ2 qua hai công tác CT1 và CT2 để điều khiển hai đèn. Dây trung tính từ ApT được nối trực tiếp đến đèn và ổ cắm.
Sơ đồ lắp đặt của hệ thống điện có chức năng gì? Trình bày các bước vẽ sơ đồ lắp đặt.
Lời giải:
Sơ đồ lắp đặt biểu thị rõ vị trí và cách lắp đặt từng phẩn tử của hệ thống trong thực tế. Sơ đồ lắp đặt được sử dụng để dự trù vật liệu, lắp đặt, sửa chữa, bảo trì và bảo dưỡng các thiết bị điện của hệ thống điện và được thiết lập dựa trên sơ đồ nguyên lí cùng với bản vẽ xây dựng của ngôi nhà.
Các bước vẽ sơ đồ lắp đặt:
Bước 1: nghiên cứu sơ đồ nguyên lí
Bước 2: vẽ dây nguồn
Bước 3: xác định vị trí lắp đặt các thiết bị, đồ dùng điện
Bước 4: vẽ đường dây dẫn điện nối các thiết bị, đồ dùng điện dựa theo sơ đồ nguyên lí.
Mô tả sơ đồ lắp đặt của hệ thống điện trong gia đình ở Hình 9.2
Lời giải:
Hai đèn điện Đ1, Đ2 được lắp đặt ở vị trí cần chiếu sáng trong nhà, các công tắc CT1, CT2 thông thường được lắp đặt ở vị trí thuận tiện cho thao tác bật/ tắt đèn, dây dẫn điện lồng trong ống ghen đảm bảo an toàn, các aptmat ApT, Ap1, Ap2 được lắp đặt trong tủ điện để đóng cắt nguồn và bảo vệ mạch khi có sự cố.
Thông số kĩ thuật của dây điện là gì?
Lời giải:
Thông số kĩ thuật cơ bản của dây điện là tiết điện dây.
Trình bày cách xác định và lựa chọn tiết diện dây dẫn trong gia đình.
Lời giải:
Xác định và lựa chọn tiết diện dây điện trong gia đình được tiến hành như sau:
Thông số kĩ thuật của thiết bị đóng cắt và bảo vệ là gì?
Lời giải:
Thông số kĩ thuật cơ bản của các thiết bị đóng cắt, bảo vệ là điện áp định mức, dòng điện định mức và dòng điện bảo vệ.
Trình bày cách xác định và lựa chọn thông số kĩ thuật của thiết bị đóng cắt và bảo vệ.
Lời giải:
Xác định và lựa chọn các thông số kĩ thuật cho các thiết bị này dựa vào dòng điện trong dây điện (I) và điện áp thiết bị (U):
Chọn aptomat theo dòng định mức Iđm và điện áp định mức Uđm:
Uđm ≥ U nguồn
I đm ≥ 1,2I (đối với thiết bị không có động cơ điện)
I đm ≥ (2÷2,5)I (đối với thiết bị động cơ điện)
Vẽ sơ đồ nguyên lí và sơ đồ lắp đặt cung cấp điện cho một phòng gồm: nguồn điện xoay chiều 220V, 01 aptomat đóng cắt và bảo vệ cho các thiết bị trong phòng, 01 ổ cắm và 01 đèn có công tắc điều khiển.
Phương pháp giải:
Dựa vào kiến thức về sơ đồ nguyên lí và sơ đồ lắp đặt.
Lời giải chi tiết:
- Sơ đồ nguyên lí:

- Sơ đồ lắp đặt:

Tính chọn dây dẫn và aptomat cung cấp điện cho ổ cắm nổi cơm điện có công suất tiêu thụ 600 W, điện áp 220 V, cos φ = 1, cho J = 5 (A/mm²).
Lời giải:
* Xác định dòng điện:
- Công suất: P = 600 W
- Điện áp: U = 220 V
- Hệ số công suất: cosφ = 1
- Dòng điện: I = P / (U . cosφ) = 600 W / (220 V . 1) = 2,73 A
* Chọn tiết diện dây dẫn:
- Mật độ dòng điện: J = 5 A/mm²
- Tiết diện dây dẫn: S = I / J = 2.73 A / 5 A/mm² = 0.55 mm²
Chọn dây dẫn có tiết diện lớn hơn hoặc bằng 0.55 mm².
* Chọn aptomat:
- Dòng điện định mức của aptomat: I ≥ 1,25 . I = 1,25 . 2,73 A ≈ 3,4 A
- Chọn aptomat có dòng điện định mức lớn hơn hoặc bằng 3,4 A.
Tìm hiểu hệ thống điện trong gia đình em và đánh giá các thiết bị truyền dẫn, đóng cắt bảo vệ trong hệ thống đó đã đảm bảo an toàn và kinh tế chưa.
Lời giải:
* Đánh giá chi tiết trong hệ thống điện gia đình:
- Thiết bị truyền dẫn:
- Thiết bị đóng cắt bảo vệ:
- Hệ thống tiếp địa:
- Ổ cắm, công tắc:
- Hệ thống chiếu sáng:
* Đánh giá an toàn
* Đánh giá hiệu quả
Theo Nghị định 147/2024/ND-CP, bạn cần xác thực tài khoản trước khi sử dụng tính năng này. Chúng tôi sẽ gửi mã xác thực qua SMS hoặc Zalo tới số điện thoại mà bạn nhập dưới đây: