Hỗ trợ tư vấn
Tư vấn - Giải đáp - Hỗ trợ đặt tài liệu
Mua gói Pro để tải file trên Download.vn (không bao gồm tài liệu cao cấp) và trải nghiệm website không quảng cáo
Tìm hiểu thêm »Giải Công nghệ 12 Bài 4: Cấu trúc hệ thống điện quốc gia giúp các em học sinh lớp 12 tham khảo, biết cách trả lời toàn bộ câu hỏi trong sách giáo khoa Công nghệ 12 Cánh diều trang 20, 21, 22, 23.
Với lời giải trình bày rõ ràng, cẩn thận, dễ hiểu nhằm giúp học sinh nhanh chóng biết cách làm bài. Đồng thời, cũng là tài liệu hữu ích giúp thầy cô thuận tiện trong việc hướng dẫn học sinh ôn tập Bài 4 Chủ đề 2: Hệ thống điện quốc gia - Phần I: Công nghệ điện SGK Công nghệ Điện - Điện tử 12 Cánh diều. Vậy chi tiết mời thầy cô và các em cùng theo dõi bài viết dưới đây của Download.vn:
Hệ thống điện quốc gia gồm những thành phần chính nào?
Lời giải:
Hệ thống điện quốc gia gồm những thành phần chính:
Hãy cho biết các thành phần trong hệ thống điện quốc gia ở Hình 4.2.

Lời giải:
Các thành phần trong hệ thống điện quốc gia ở Hình 4.2:
Vai trò của nguồn điện là gì?
Lời giải:
Vai trò của nguồn điện là: sản xuất ra điện năng từ các dạng năng lượng khác nhau.
Kể tên một số nguồn điện trong hệ thống lưới điện quốc gia
Lời giải:
Một số nguồn điện trong hệ thống lưới điện quốc gia:
Nêu vai trò của lưới điện.
Lời giải:
Vai trò của lưới điện là: truyền tải điện năng từ các nhà máy điện đến các tải điện trong hệ thống điện quốc gia.
Lưới điện truyền tải và lưới điện phân phối khác nhau như thế nào?
Lời giải:
Lưới điện truyền tải và lưới điện phân phối khác nhau:
Trong hệ thống điện quốc gia, tải điện được phân loại như thế nào?
Lời giải:
Trong hệ thống điện quốc gia, tải điện được phân loại:
- Tải trong sản xuất:
- Tải điện trong sinh hoạt:
Hãy kể tên một số tải điện trong hệ thống điện quốc gia.
Lời giải:
Một số tải điện trong hệ thống điện quốc gia:
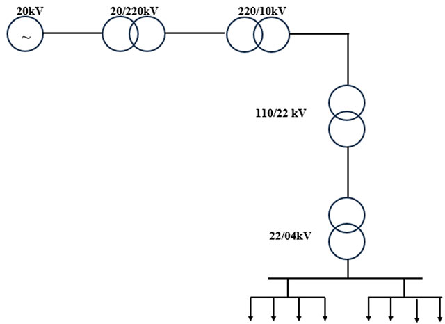
Vẽ sơ đồ một hệ thống điện từ máy phát điện tới tải điện, bao gồm: Máy phát điện 20 kV → Máy biến áp tăng áp 20/220 kV → Máy biến áp giảm áp 220/110 kV → Máy biến áp giảm áp 110/ 22 kV → Máy biến áp giảm áp 22/0,4 kV → Các tải điện.
Lời giải:

Tìm hiểu sơ đồ lưới điện phân phối của địa phương từ 22 kV hoặc 35 kV xuống 0,4 kV và cho biết các loại tải điện của lưới điện phân phối này.
Lời giải:
Các loại tải điện của lưới điện phân phối từ 22 kV hoặc 35 kV xuống 0,4 kV đó là:
Theo Nghị định 147/2024/ND-CP, bạn cần xác thực tài khoản trước khi sử dụng tính năng này. Chúng tôi sẽ gửi mã xác thực qua SMS hoặc Zalo tới số điện thoại mà bạn nhập dưới đây: