Hỗ trợ tư vấn
Tư vấn - Giải đáp - Hỗ trợ đặt tài liệu
Mua gói Pro để tải file trên Download.vn (không bao gồm tài liệu cao cấp) và trải nghiệm website không quảng cáo
Tìm hiểu thêm »Bộ 20 đề ôn thi học kì 1 môn Vật lí lớp 11 là tài liệu vô cùng hữu ích mà Download.vn muốn giới thiệu đến quý thầy cô cùng các bạn học sinh tham khảo.
Đề thi học kì 1 lớp 11 môn Vật lí giúp các bạn học sinh làm quen với cấu trúc đề thi, ôn tập cũng như rèn luyện kỹ năng giải đề. Ngoài ra các bạn học sinh lớp 11 tham khảo thêm số đề thi như: đề thi học kì 1 Ngữ văn 11, đề thi học kì 1 Hóa học 11, đề thi học kì 1 môn Địa lý 11, đề thi học kì 1 môn tiếng Anh 11. Vậy sau đây là nội dung chi tiết 20 đề ôn thi HK1 môn Vật lí 11, mời các bạn cùng theo dõi và tải tại đây.
Phần 1. Trắc nghiệm (3 điểm)
Câu 1. Định luật Ôm đối với toàn mạch hoàn toàn phù hợp với định luật nào sau đây?
A. Định luật bảo toàn điện tích.
B. Định luật Culông.
C. Định luật Farađây về dòng điện trong chất điện phân.
D. Định luật bảo toàn và chuyển hóa năng lượng.
Câu 2. Trong một mạch điện kín có một nguồn điện có suất điện động E, điện trở trong r và mạch ngoài có chứa điện trở RN thì:
A. suất điện động của nguồn bằng độ giảm điện thế ở mạch ngoài.
B. suất điện động của nguồn bằng độ giảm điện thế ở mạch trong.
C. suất điện động của nguồn bằng tổng độ giảm điện thế ở mạch ngoài và mạch trong.
D. suất điện động của nguồn bằng hiệu độ giảm điện thế ở mạch ngoài và mạch trong.
Câu 3. Các bình acquy được nắp đặt trên xe máy điện được mắc với nhau như thế nào?
A. Nối tiếp.
B. Song song.
C. Hỗn hợp đối xứng.
D. Cả nối tiếp và song song với nhau.
Câu 4. Công thức tính suất điện động và điện trở trong của bộ nguồn ghép hỗn hợp đối xứng gồm có y dãy song song với nhau và mỗi dãy có x nguồn điện giống nhau ghép nối tiếp là:
A.
\(E_{b}=x \cdot E ; r_{b}=x \cdot r\)
B.
\(E_{b}=x \cdot E ; r_{b}=\frac{x \cdot r}{y} \\\)
C.
\(E_{b}=y \cdot E ; r_{b}=y \cdot r\)
D.
\(E_{b}=x \cdot E ; r_{b}=\frac{y \cdot r}{x} \\\)
Câu 5. Tìm suất điện động và điện trở trong của bộ nguồn gồm 6 ắcquy giống nhau mắc như hình vẽ 1. Biết mỗi ắc quy có suất điện động E = 2V và điện trở trong r = 1Ω:
A. 12V; 3Ω.
B. 6V; 3Ω.
C. 12V; 1,5Ω.
D. 6V; 1,5Ω.
Câu 6. Cho đoạn mạch như hình vẽ 2. Biết E = 9 V; r = 0,5 Ω; R = 4,5 Ω và I = 1,2 A. Giá trị của UAB là:

A. 7,5 V.
B. 5 V.
C. 3 V.
D. 6 V.
Câu 7. Hạt tải điện trong kim loại là:
A. Ion dương.
B. Các electron tự do.
C. Ion âm.
D. Cả Ion dương, Ion âm và electron tự do.
Câu 8. Cho các kim loại sau: Cu, Ag, Al, Fe. Hỏi kim loại nào dẫn điện tốt nhất trong số các kim loại đã cho?
A. Ag
B. Al
C. Cu
D. Fe
Câu 9. Chọn câu đúng?
A. Cặp nhiệt điện là hai dây kim loại khác bản chất, hai đầu hàn vào nhau.
B. Cặp nhiệt điện là hai dây kim loại cùng bản chất, hai đầu hàn vào nhau.
C. Cặp nhiệt điện là hai dây cách điện khác bản chất, hai đầu hàn vào nhau.
D. Cặp nhiệt điện gồm một dây kim loại và một dây cách điện, hai đầu hàn vào nhau.
Câu 10. Dòng điện trong chất điện phân là dòng chuyển dời có hướng của
A. Các ion âm trong dung dịch.
B. Các ion dương trog dung dịch.
C. Các ion dương và ion âm chuyển động theo chiều của điện trường trong dung dịch.
D. Các ion dương và ion âm dưới tác dụng của điện trường trong dung dịch.
Câu 11. Kết quả cuối cùng của quá trình điện phân dung dịch AgNO3 với điện cực bằng Ag là
A. anôt bị ăn mòn.
B. catôt bị ăn mòn.
C. Ag chạy từ anôt sang catôt.
D. không có thay đổi gì ở bình điện phân.
Câu 12. Khối lượng chất được giải phóng ở điện cực của bình điện phân được xác định theo biểu thức
A.
\(m=\frac{1}{F} \cdot \frac{A}{n} \cdot \frac{I}{t}\)
B.
\(m=\frac{1}{F} \cdot \frac{A}{n} . I t \\\)
C.
\(m=F \cdot \frac{A}{n} \cdot \frac{I}{t}\)
\(D. m=\frac{1}{F} \cdot \frac{n}{A} .\)
Phần 2. Tự luận (7 điểm)
Bài 1 (2 điểm). Một bình điện phân chứa dung dịch CuSO4 có anốt làm bằng đồng được mắc vào hai cực của một nguồn điện có suất điện động E = 9 V, điện trở trong r = 1 W. Biết bình điện phân có điện trở là Rp = 8 W, F = 96500 C/mol, ACu = 64, nCu = 2. Xác định khối lượng Cu bám vào catốt sau khoảng thời gian là 5 giờ.
Bài 2 (2,5 điểm). Cho mạch điện như hình vẽ 3. Biết các nguồn điện giống nhau, mỗi nguồn có suất điện động E = 3 V, điện trở trong 1 Ω; điện trở R = 2 Ω và bóng đèn có ghi 9 V – 9 W.

a. Xác định suất điện động và điện trở trong của bộ nguồn.
b. Xác định cường độ dòng điện chạy trong mạch cho rằng điện trở của đèn trong trường hợp này không thay đổi theo nhiệt độ.
c. Bóng đèn có sáng bình thường không? Vì sao?
Bài 3 (2,5 điểm). Cho mạch điện gồm nguồn điện có suất điện động E, điện trở trong r và biến trở Rb được mắc với nhau như hình vẽ 4. Biết khi Rb = 8 Ω thì cường độ dòng điện chạy trong mạch là I = 1 A; khi Rb = 3,5 Ω thì cường độ dòng điện chạy trong mạch là I = 2 A.
a, Tính suất điện động E và điện trở trong r của nguồn.
b, Xác định Rb để công suất tiêu thụ mạch ngoài đạt giá trị cực đại và tính công suất cực đại của mạch ngoài khi đó.
Câu 1: Một mối hàn của một cặp nhiệt điện có hệ số nhiệt điện động aT = 65 (mV/K) được đặt trong không khí ở nhiệt độ 200C, mối hàn còn lại được nung nóng đến nhiệt độ 2000C. Tính độ lớn suất điện động nhiệt điện của cặp nhiệt điện khi đó?
ĐS: 0,0117(V)
Câu 2:Một nguồn điện có điện trở trong r = 2(Ω) nối với mạch ngoài gồm hai điện trở có cùng giá trị R. Khi hai điện trở mạch ngoài ghép nối tiếp thì hiệu suất nguồn gấp 2 lần khi hai điện trở mạch ngoài ghép song song. Tính giá trị mỗi diện trở R?
ĐS: R = r = 2(Ω)
Câu 3: Cho mạch điện gồm: Bộ nguồn có 6 nguồn loại 6(V) – 1(Ω) mắc như hình vẽ dưới. Bình điện phân đựng dung dịch CuSO4 với cực dương bằng Đồng (Cu). Điện trở bình điện phân là R = 7,5(Ω). Tính khối lượng Đồng (Cu) được giải phóng khỏi cực dương sau thời gian 32 phút 10 giây? Biết nguyên tử lượng và hóa trị của Đồng (Cu) lần lượt là A = 64 và n = 2

ĐS: m=1,28g
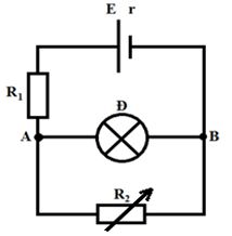
Câu 4: Cho mạch điện như hình vẽ dưới. Nguồn diện có suất điện động và điện trở trong theo thứ tự là : E = 12(V), r = 1(Ω). R2 là một biến trở, đèn Đ loại (6V- 6W)
a. Chỉnh R2= 3(Ω) thì đèn Đ sáng bình thường. Tính R1?
b. Nếu giảm giá trị R2một lượng nhỏ từ giá trị câu Thì độ sáng của đèn tăng hay giảm? Giải thích?
ĐS: R1 = 1(Ω); R2 giảm suy ra Rmạch giảm, suy ra Imạch tăng; Vì UAB = E – I(R1 + r), suy ra UAB giảm; đèn sáng yếu hơn
Câu 5:Một nguồn điện có suất điện động E = 24 (V), điện trở trong r = 6 (W) dùng để thắp sáng 6 bóng đèn loại 6(V) – 3(W) thì phải mắc chúng thế nào để các bóng đèn sáng bình thường. Trong các cách mắc đó cách mắc nào lợi hơn vì sao?

ĐS: Có 2 cách mắc: cách 1: 6 dãy mỗi dãy 1 đèn; cách 2: 2 dãy mỗi dãy 3 đèn; cách 2 có lợi hơn. Vì H2>H1 (75%>25%)
Câu 1: Điện phân dung dịch đồng sunfat (CuSO4, anốt bằng đồng) với dòng điện 3A. Tính khối lượng đồng bám trên cực âm và điện lượng qua bình điện phân trong 30 phút. Cho Cu = 64.
ĐS: m = 1,8g; q = 5400C
Câu 2: Cho nguồn điện có suất điện động e; điện trở trong r, biến trở R và ampe kế lý tưởng (điện trở rất nhỏ) được nối thành mạch kín. Đầu tiên để biến trở ở giá trị R1 thì ampe kế chỉ cường độ I. Sau đó điều chỉnh biến trở tăng thêm 1Ω thì ampe kế chỉ 1,2 A, sau đó lại điều chỉnh biến trở giảm 1Ω (so với R1) thì ampe kế chỉ 2 A. Tính giá trị cường độ I lúc R = R1?
ĐS: I = 1,5A
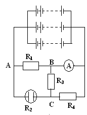
Câu 3: Cho mạch điện như hình vẽ E1 = 12V, r1 = r2 = 3Ω, R1 = 6Ω là bình điện phân dung dịch (CuSO4/Cu), R2 là bóng đèn ghi (6V – 6W), R3 = 6Ω. Biết khối lượng đồng thu được sau 16ph5s là 0,192g (A = 64, n = 2)

a. Lượng đồng thu được bám vào cực nào? Tại sao?
b. Tìm dòng điện qua bình điện phân
c. Đèn sáng thế nào? Tại sao?
d. Tìm E2
Mắc vào 2 điểm M, N một ampe kế (RA≈ 0). Tìm số chỉ ampe kế
ĐS: a/ cực âm, do Cu++ di chuyển tới cực âm; b/ I1 = 0,6A;c/ I1 < Iđ → đèn sáng mờ; E2 = 6V; IA =2/3A
Câu 4:Nguồn điện E = 24V, điện trở trong r = 6Ω dùng để thắp sáng các bóng đèn loại (6V – 3W). Hỏi có thể thắp sáng bình thường tối đa bao nhiêu bóng?
ĐS: N = 8 bóng
Câu 5: Cho mạch điện kín gồm nguồn điện (E,r), mạch ngoài là biến trở R

ĐS: P = 16W
Câu 1. Đặt một hiệu điện thế không đổi vào một đoạn mạch gồm 2 điện trở giống nhau ghép nối tiếp thì nhiệt lượng tỏa ra trong thời gian t của đoạn mạch là 1 kJ. Nếu hai điện trở trên mắc song song thì nhiệt lượng tỏa ra trong thời gian t của đoạn mạch sẽ là bao nhiêu?
ĐS:
Câu 2: Bàn ủi ghi (220 V – 1000W) được mắc đúng hiệu điện thế định mức. Tính số tiền điện phải trả trong 1 tháng khi sử dụng bàn ủi, biết rằng 1 ngày sử dụng 30 phút liên tục và 1 tháng có 30 ngày, số tiền trả cho 1 ký điện là 2000đồng/1kWh.
ĐS: tiền phải trả là 30 000 đồng
Câu 3: Một dây dẫn làm bằng đồng có điện trở là 20 W ở nhiệt độ 200C. Tính điện trở của dây dẫn ở nhiệt độ 1000C, biết hệ số nhiệt điện trở của đồng là a = 4,3.10 – 3 K – 1. (1đ)
ĐS: = 26,88W
Câu 4: Cho mạch điện như hình vẽ: Nguồn điện có và điện trở trong r
- R1= 6Wlà bình điện phân đựng dung dịch CuSO4 có anôt bằng đồng.
- R2= 12 W là bình điện phân đựng dung dịch AgNO3 có anôt bằng bạc.
- R3 = 6 W; Trong 16 phút 5 giây khối lượng cả hai bình tăng lên 0,68g.
Tìm dòng điện qua mỗi bình điện phân. Biết (Ag=108, n=1) (Cu 64, n=2)
ĐS: I = 1A; I2 = 1/3A
Câu 5:Cho mạch điện như hình vẽ.

Có 30 nguồn giống nhau mắc thành 3 dãy song song , mỗi dãy có 10 nguồn mắc nối tiếp . Mỗi nguồn có : E0 = 2,5(V) , r0 = 0,6(Ω) .
Biết: R1 = 4(Ω) , R3 = R4 = 5(Ω); Ampe kế có RA = 0 .
R2 là bình điện phân đựng dung dịch CuS04 có các điện cực bằng Cu .
Sau 16 phút 5 giây khối lượng đồng bám vào catot là 0,64(g) .
Cho : A = 64 ; n = 2
a/ Tính suất điện động và điện trở trong của bộ nguồn .
b/ Tính cường độ dòng điện I2 qua bình điện phân .
c/ Tính điện trở R2 của bình điện phân và số chỉ của âm-pe-kế .
ĐS: Eb = 25(V); rb=2(Ω); I2 = 2(A); R2 = 4,5(Ω) ; IA = I – I4 = 4,5(A)
........
Mời các bạn tải file tài liệu để xem thêm nội dung chi tiết đề ôn thi cuối kì 1 Vật lí 11
Theo Nghị định 147/2024/ND-CP, bạn cần xác thực tài khoản trước khi sử dụng tính năng này. Chúng tôi sẽ gửi mã xác thực qua SMS hoặc Zalo tới số điện thoại mà bạn nhập dưới đây: