Hỗ trợ tư vấn
Tư vấn - Giải đáp - Hỗ trợ đặt tài liệu
Mua gói Pro để tải file trên Download.vn (không bao gồm tài liệu cao cấp) và trải nghiệm website không quảng cáo
Tìm hiểu thêm »Giải Công nghệ 8 Bài 4: Bản vẽ lắp giúp các em học sinh lớp 8 tham khảo, biết cách trả lời toàn bộ câu hỏi trong sách giáo khoa Công nghệ 8 Kết nối tri thức với cuộc sống trang 24, 25, 26, 27.
Với lời giải trình bày rõ ràng, dễ hiểu nhằm giúp học sinh nhanh chóng biết cách làm bài. Đồng thời, cũng giúp thầy cô thuận tiện trong việc hướng dẫn học sinh ôn tập Bài 4 Chương I: Vẽ kĩ thuật. Vậy chi tiết mời thầy cô và các em cùng theo dõi bài viết dưới đây của Download.vn:
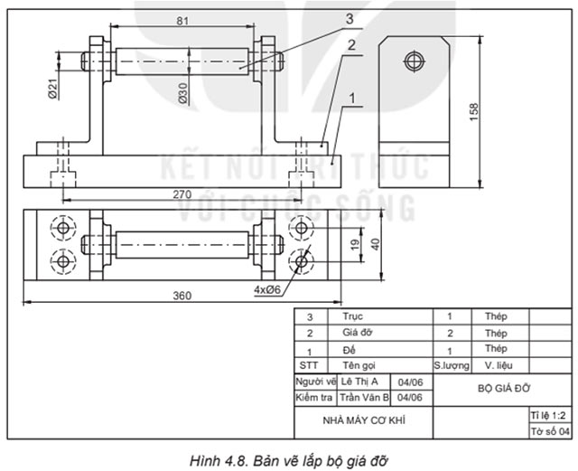
Đọc bản vẽ lắp bộ giá đỡ (Hình 4.8) theo trình tự trên Bảng 4.1 (kẻ bảng theo mẫu Bảng 4.1 vào vở và ghi phần trả lời vào bảng).

Trả lời:
|
Trình tự đọc |
Nội dung đọc |
Kết quả đọc bản vẽ giá đỡ |
|
Bước 1. Khung tên |
- Tên gọi sản phẩm - Tỉ lệ bản vẽ |
- Bộ giá đỡ - Tỉ lệ: 1: 2 |
|
Bước 2. Bảng kê |
Tên gọi, số lượng của chi tiết |
- Đế (1) - Giá đỡ (2) - Trục (3) |
|
Bước 3. Hình biểu diễn |
Tên gọi các hình chiếu |
- Hình chiếu đứng - Hình chiếu bằng - Hình chiếu cạnh |
|
Bước 4. Kích thước |
- Kích thước chung - Kích thước lắp ghép giữa các chi tiết - Kích thước xác định khoảng cách giữa các chi tiết |
- Kích thước chung: chiều dài 360 mm, chiều rộng 40 mm, chiều cao 158 mm |
|
Bước 5. Phân tích chi tiết |
- Vị trí của các chi tiết |
- Đế (1) - Giá đỡ (2) - Trục (3) |
|
Bước 6. Tổng hợp |
- Trình tự tháo lắp các chi tiết |
- Tháo chi tiết: 3 – 2 – 1 - Lắp chi tiết: 1 – 2 – 3 |
Lựa chọn một sản phẩm đơn giản trong gia đình và cho biết sản phẩm đó được tạo bởi bao nhiêu chi tiết, vai trò của từng chi tiết trong sản phẩm.
Trả lời:
Giá sách treo tường được tạo bởi 4 chi tiết: vít, thanh dọc ngăn, thanh dọc bên, thanh ngang. Vai trò của chúng là để cố định các chi tiết với nhau.
Theo Nghị định 147/2024/ND-CP, bạn cần xác thực tài khoản trước khi sử dụng tính năng này. Chúng tôi sẽ gửi mã xác thực qua SMS hoặc Zalo tới số điện thoại mà bạn nhập dưới đây: