Hỗ trợ tư vấn
Tư vấn - Giải đáp - Hỗ trợ đặt tài liệu
Mua gói Pro để tải file trên Download.vn (không bao gồm tài liệu cao cấp) và trải nghiệm website không quảng cáo
Tìm hiểu thêm »
SỞ GIÁO DỤC VÀ ĐÀO TẠO
|
KỲ THI CHỌN HỌC SINH GIỎI LỚP 9 CẤP TỈNH
|
Câu 1: (4 điểm)
Lúc 8 giờ, hai xe máy cùng khởi hành từ hai địa điểm A và B cách nhau 96km và đi ngược chiều nhau. Vận tốc của xe đi từ A là 36 km/h, vận tốc của xe đi từ B là 28 km/h.
a/ Xác định vị trí và thời điểm hai xe gặp nhau.
b/ Sau bao lâu thì hai xe cách nhau 32 km.
Câu 2: (4 điểm)
Người ta thả một chai sữa em bé có nhiệt độ t0 = 180C vào một phích đựng nước ở nhiệt độ t = 400C. sau một thời gian lâu, nhiệt độ của nước trong phích là t1 = 360C, sau đó người ta lấy chai sữa ra và tiếp tục thả một chai sữa khác giống hệt chai sữa lúc đầu vào phích. Hỏi chai sữa này sẽ được làm nóng tới nhiệt độ nào? Bỏ qua sự mất mát nhiệt do môi trường.
Câu 3: (5 điểm)
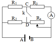
Cho mạch điện như hình vẽ. R1 = 2Ω; R2 = 3Ω; R3 = 4Ω; Rx là biến trở. Hiệu điện thế UAB=18V (bỏ qua điện trở của dây nối, và ampe kế)

3.1/ Khi k đóng:
a. Rx= 4Ω tính RAB
b. Điều chỉnh Rx sao cho ampe kế chỉ 3A. Tính Rx khi đó .
3.2/ Khi k mở:
Rx = 5Ω, xác định UCD khi đó.
Câu 4: (4điểm)
Cho mạch điện như hình vẽ U= 12V, bỏ qua điện trở của các ampe kế, khóa k và dây nối. Khi k1 mở, k2 đóng, ampe kế A 2 chỉ 0,2A. Khi k1 đóng, k2 mở, ampe kế A 1 chỉ 0,3A.

a. k1, k2 đều đóng, ampe kế A chỉ 0,6A. Tính R1; R2; R3 ;và số chỉ của ampe kế A1, A2
b. k1, k2 đều đóng. Thay đổi giá trị của điện trở nào thì số chỉ của cả ba ampe kế đồng thời thay đổi
Câu 5: (3 điểm)
Một vật đặt trước thấu kính phân kỳ cho một ảnh A1B1 cao 0,8cm. Thay thấu kính phân kỳ bằng thấu kính hội tụ có cùng tiêu cự và cũng đặt ở vị trí của thấu kính phân kỳ thì thu được một ảnh thật A2B2 cao 4cm. Khoảng cách giữa hai ảnh là 72cm. Tìm tiêu cự của hai thấu kính trên và độ cao của vật. Chú ý: không được dùng công thức thấu kính
Download tài liệu để xem thêm chi tiết.
Theo Nghị định 147/2024/ND-CP, bạn cần xác thực tài khoản trước khi sử dụng tính năng này. Chúng tôi sẽ gửi mã xác thực qua SMS hoặc Zalo tới số điện thoại mà bạn nhập dưới đây: