Hỗ trợ tư vấn
Tư vấn - Giải đáp - Hỗ trợ đặt tài liệu
Mua gói Pro để tải file trên Download.vn (không bao gồm tài liệu cao cấp) và trải nghiệm website không quảng cáo
Tìm hiểu thêm »
SỞ GIÁO DỤC VÀ ĐÀO TẠO
|
KỲ THI CHỌN HỌC SINH GIỎI CẤP TỈNH LỚP 9 THCS
|
Bài 1. (5 điểm)
Bốn điện trở R1, R2, R3, R4 được mắc vào đoạn mạch AB như hình 1. Đặt vào hai đầu của đoạn mạch một hiệu điện thế UAB = 9V. Biết R1 = R2 = R3 = 3Ω, R4 = 1Ω.
1. Nối D và B bằng một vôn kế có điện trở rất lớn. Tính cường độ dòng điện qua các điện trở và số chỉ của vôn kế.
2. Tháo vôn kế đi, nối D và B bằng một ampe kế có điện trở nhỏ không đáng kể.
a) Tính hiệu điện thế trên các điện trở.
b) Tìm số chỉ của ampe kế và chiều dòng điện qua ampe kế.

Bài 2. (6 điểm)
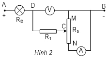
Cho mạch điện như hình 2: Đặt vào hai đầu của đoạn mạch một hiệu điện thế UAB = 18V. Biến trở Rb có điện trở toàn phần RMN = 20Ω, R1 = 2Ω, đèn có điện trở RĐ = 2Ω, vôn kế có điện trở rất lớn, ampe kế có điện trở nhỏ không đáng kể.

1. Điều chỉnh con chạy C để ampe kế chỉ 1A.
a) Xác định vị trí con chạy C.
b) Tìm số chỉ vôn kế khi đó.
c) Biết đèn sáng bình thường. Tìm công suất định mức của đèn.
2. Phải di chuyển con chạy C đến vị trí nào để công suất tiêu thụ trên biến trở đạt giá trị lớn nhất ? Giá trị lớn nhất ấy bằng bao nhiêu ? Cho biết độ sáng của đèn lúc này.
3. Biết đèn chịu được hiệu điện thế tối đa là 4,8V. Hỏi con chạy C chỉ được dịch chuyển trong khoảng nào của biến trở?
Bài 3. (6,5 điểm)
Trên hình 3, vật sáng AB có dạng một đoạn thẳng đặt vuông góc với trục chính xy của thấu kính L1, A'B' là ảnh của AB tạo bởi thấu kính L1. Biết AB = 20cm, A'B' = 10cm, AA' = 54cm.

a) Thấu kính L1 là thấu kính gì? Tại sao? Bằng cách vẽ đường đi của tia sáng, hãy xác định vị trí quang tâm O1, các tiêu điểm chính F1, của thấu kính L1.
b) Bằng kiến thức hình học, hãy tính tiêu cự f1 của thấu kính L1.
c) Giữ nguyên vị trí của vật AB và thấu kính L1, đặt thêm một thấu kính phân kì L2 (có quang tâm O2) vào trong khoảng giữa vật và thấu kính L1 sao cho trục chính trùng nhau và khoảng cách O1O2 = 6cm. Biết ảnh A2B2 của AB tạo bởi hệ thấu kính là ảnh thật và A2B2 = 0,8AB. Bằng kiến thức hình học, hãy tính tiêu cự f2 của thấu kính L2.
Bài 4. (2,5 điểm)
Có hai hộp kín, mỗi hộp có hai đầu dây ra ngoài. Trong một hộp có một bóng đèn pin, trong hộp còn lại có một điện trở. Hãy xác định bóng đèn pin nằm trong hộp nào.
Dụng cụ: 1 nguồn điện có hiệu điện thế U không đổi, 1 biến trở, 2 mili ampe kế, 1 mili vôn kế và các dây nối.
Download tài liệu để xem thêm chi tiết
Theo Nghị định 147/2024/ND-CP, bạn cần xác thực tài khoản trước khi sử dụng tính năng này. Chúng tôi sẽ gửi mã xác thực qua SMS hoặc Zalo tới số điện thoại mà bạn nhập dưới đây: