Hỗ trợ tư vấn
Tư vấn - Giải đáp - Hỗ trợ đặt tài liệu
Mua gói Pro để tải file trên Download.vn (không bao gồm tài liệu cao cấp) và trải nghiệm website không quảng cáo
Tìm hiểu thêm »
SỞ GIÁO DỤC VÀ ĐÀO TẠO
|
KỲ THI CHỌN HỌC SINH GIỎI LỚP 9 CẤP TỈNH
|
A. PHẦN BẮT BUỘC: (14 điểm)
Câu 1: (8 điểm)
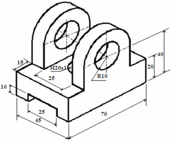
Cho hình chiếu trục đo của vật thể:
a/ Hãy vẽ hình chiếu đứng, bằng, cạnh của vật thể: đúng vị trí, thể hiện đầy đủ kích thước và có hình cắt ở vị trí hình chiếu đứng; theo tỉ lệ 1 : 1. (7 điểm)
b/ Chú thích ký hiệu ren trên hình vẽ. (1 điểm)

Câu 2: (3 điểm) Cần truyền chuyển động quay từ trục I (trục dẫn) với tốc độ là n1, trục trung gian II với tốc độ n¬2 ¬ tới trục (bị dẫn) III có tốc độ n3 < n1.
a/ Hãy chọn phương án biểu diễn cơ cấu truyền động trên? (1,5 điểm)
b/ Cho Z1 = 40 răng, Z2 = 100 răng, Z’2= 40 răng, Z3 = 80 răng. Muốn trục III quay 160 vòng/phút thì trục I phải quay bao nhiêu vòng/phút? (1,5 điểm)
Câu 3: (1 điểm) Nêu các biện pháp tiết kiệm điện năng? Tiết kiệm điện năng có lợi ích gì cho môi trường?
Câu 4: (2 điểm) Một máy biến áp 1 pha có điện áp sơ cấp 220V; số vòng dây quấn cuộn thứ cấp là 900 vòng.
a/ Điện áp lấy ra ở cuộn thứ cấp là 100V thì cuộn sơ cấp phải có số vòng dây là bao nhiêu? (1 điểm)
b/ Đến giờ cao điểm, điện áp sơ cấp giảm còn 200V. Để giữ điện áp thứ cấp không đổi, nếu số vòng dây quấn cuộn sơ cấp không đổi thì phải điều chỉnh số vòng dây quấn cuộn thứ cấp bằng bao nhiêu ? (1 điểm)
B. PHẦN TỰ CHỌN: Học sinh chọn 1 trong 2 phần sau: (6 điểm)
I/ Phần điện: (6 điểm)
Câu 1: (3 điểm)
Vẽ sơ đồ lắp đặt mạch điện gồm hai bảng điện:
- Bảng điện 1 gồm một công tơ, một cầu dao 2 cực (phải vẽ đúng sơ đồ lắp dây công tơ).
- Bảng điện 2 gồm một cầu chì bảo vệ một ổ điện, một công tắc hai cực điều khiển mạch đèn huỳnh quang chấn lưu có tắc te. (Vẽ đầy đủ chấn lưu tắc te và bóng đèn).
Câu 2: (3 điểm)
Vẽ sơ đồ nguyên lí mạch điện gồm hai cầu chì hai công tắc ba cực điều khiển một đèn sợi đốt 220V-75W bằng hai cách khác nhau trong đó có một cách tiết kiệm dây (khi vẽ công tắc ba cực phải kí hiệu tên cực giữa).
II/ Phần trồng cây ăn quả: (6 điểm)
Câu 1: (3 điểm)
Hãy nêu ưu, nhược điểm của hai phương pháp nhân giống sau: gieo hạt và ghép?
Câu 2: (2 điểm)
Trình bày biện pháp phòng trừ sâu, bệnh hại cây trồng?
Câu 3: (1 điểm)
Trong phương pháp nhân giống cây ăn quả có phương pháp tách chồi và phương pháp nuôi cấy mô. Hãy cho biết đây là phương pháp nhân giống nào? Giải thích?
Download tài liệu để xem thêm chi tiết.
Theo Nghị định 147/2024/ND-CP, bạn cần xác thực tài khoản trước khi sử dụng tính năng này. Chúng tôi sẽ gửi mã xác thực qua SMS hoặc Zalo tới số điện thoại mà bạn nhập dưới đây: